I will design solar pv permit plans
Actions
Hello friends! I will provide you with the fastest delivery of solar permit designs. I have completed 1500+ permit design for residential building.
Customer Satisfaction is my first Priority .I will provide you my 100% effort.
My solar permit tablet includes:
✔️ Cover Page
✔️ Site layout
✔️ Array Layout
✔️ Module and Roof attachment
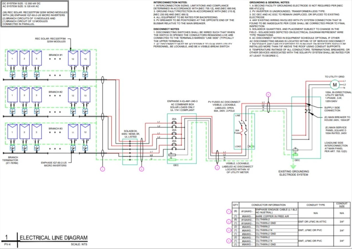
✔️ Single line Diagram
✔️ Safety poster
✔️ Data sheet
I would be happy to make a project for you!
In which format you will delivered my project?
We will delivered your project in pdf format.
What program are you using?
Autocad
What is included in the gig price?
Complete permit pack upto 20 kw All type of inverter such as Enphase micro, solaredge. SMA sunnyboy, fronius, chilicon etc

I am a repeater buyer. I keep buying as the service is good.

Thank you so much for youe efforst! I am almost satisfied and I am happy to find you and will be back for more'

- I'll be reaching out again to work together on more projects. Thank you so much!

Very excellent and responsive! Will love to work with them again, thank you!

I am a repeater buyer. I keep buying as the service is good.

excellent once again.Thank you again!!!!!!!! Recommended.

Thank you so much for the fast and outstanding service!

I continue to enjoy working with this talented freelancer:)

Medium communication. But very good personality!

Will look forward for more business and very highly recommended.
You may also like the following gigs